top
terug
banner
Naar Binnenvaarttaal

Aanvullingen en correcties zijn welkom.

Brevo Keerkoppelingen



Naar submenu Keerkoppelingen.


zonder
Een mechanische Brevo keerkoppeling gebruikt in combinatie
met een Deutz VM van 240 pk uit 1930.
Foto: Pieter Klein, Hasselt (Ov) juli 2007. (groter formaat)


zonder
Eveneens een mechanische Brevo keerkoppeling. Gezien de constructie vermoedelijk voor wat kleiner motoren dan de bovenstaande keerkoppeling. Afbeelding uit het boek 'Oliemotoren' door C. Noorlander, uitgeverij Born, Assen. (groter formaat)


zonder
Een Brevo mechanische keerkoppeling achter een Van Rennes motor.
Dit type stemt meer overeen met die in de tekening.
Foto: Pieter Klein, Motorenmuseum Nieuwe Niedorp, september 2010.
(groter formaat)


zonder
Het schildje verraad ons dat de keerkoppeling geschikt is voor 60 pk bij 450 tpm.
Foto: Pieter Klein, Motorenmuseum Nieuwe Niedorp, september 2010.
(groter formaat)


zonder
Aan de bouw te zien kon dit ook weleens een Brevo keerkoppeling zijn, maar er werd in die jaren heel wat geïmiteerd, dus zeker is dat niet. Ook deze staat achter een 'van Rennes' en wel eentje van 25pk bij 300tpm.
Foto: Pieter Klein, Museumwerf Vreeswijk, oktober 2010. (groter formaat)


zonder
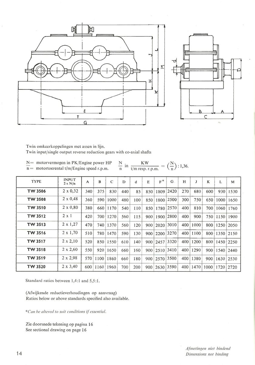
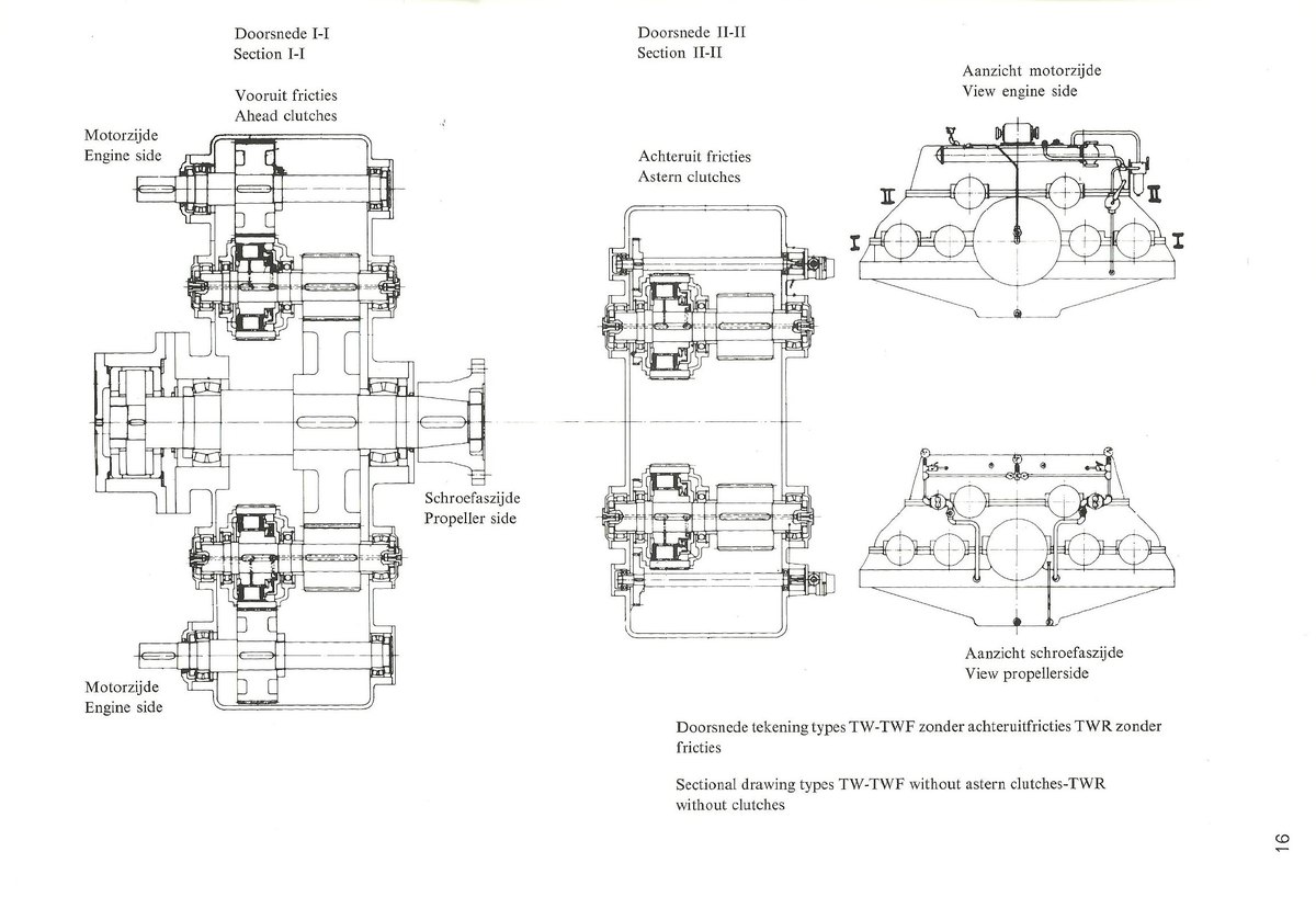
Een brochure van Brevo.
Pagina's op groot formaat. omslag, blz.1, blz.2, blz.3, blz.4, blz.5, blz.6, blz.7, blz.8, blz.9, blz.10, blz.11, blz.12, blz.13, blz.14, blz.15, blz.16, blz.17, blz.18, blz.19, blz.20, blz.21, blz.22, blz.23, blz.24.

Inzender: Gerrit Schut, Tzum.



Bestandsrevisie december 2020



Sitemap

© 1997-heden; Pieter Klein, Amsterdam of de rechthebbenden van de opgenomen tekst- en afbeeldingsbestanden
De rechthebbenden kunnen niet aansprakelijk gesteld worden voor de gevolgen van het gebruik van deze site,
noch voor de gevolgen van het gebruik van de in deze site opgenomen links!
Deze site gebruikt cookies!
Zonder toestemming vooraf, is gehele of gedeeltelijke overname van enig deel uit 'Binnenvaarttaal' verboden! Veel inzenders zullen echter een verzoek tot het (her)gebruik van het getoonde materiaal inwilligen. (meer informatie)
Kopieën naar Facebook, Pinterest, en andere doorgeefluiken zijn echter niet toegestaan!

Deze site is geoptimaliseerd voor een resolutie van 1024x768 px.,

U wordt verzocht eventuele gebreken te melden!  (meer informatie)

Mijn dank gaat uit naar ALLEN, die mij met deze site helpen of geholpen hebben.

Pieter Klein:
Redacteur, auteur, ontwerper en webmaster.